1)303不锈钢316电磁阀
3032先导式电磁阀
3033直动式电磁阀
2)313不锈钢304电磁阀
3132先导式电磁阀
3133直动式电磁阀
3053ABS电磁阀
3063PVC电磁阀
3043PTFE电磁阀
3044三通PTFE电磁阀
3062PP电磁阀
3023直动式电磁阀
3022先导式电磁阀
膜片材质选购指南
5035气动驱动球阀
5036气动法兰驱动球阀
5055气动驱动PVC球阀
5037气动驱动球阀
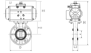
5046气动驱动蝶阀
5056气动驱动PVC蝶阀
603电动驱动球阀
三通电动球阀
6055电动驱动PVC球阀
6046电动驱动蝶阀
6056电动驱动PVC蝶阀
²505气动驱动PVC阀采用进口名牌执行器, ²阀体材质:标准型为PVC,可选PP、PTFE; ²适用介质:耐酸性介质及其它中性介质; ²压力范围:;0~10kgf/cm²; ²密封材料:EPDM、PTFE; ²安装方式:水平安装; ²阀门形式:蝶阀 ²温度范围:5ºC~50ºC; ²标准电压:标准:DC24V, AC220V。
规格
口径
执行器型号
L1
H1
L2
H2
H
Dф
505650
DN50
932063
133.0
118.0
43.0
103.0
384.0
105.0
505665
DN65
932075
155.0
130.0
46.0
113.0
418.0
185.0
505680
DN80
932083
177.0
138.0
115.0
436.0
201.0
5056100
DN100
65.0
135.0
470.0
229.0
5056150
DN150
932118
284.0
170.0
71.0
612.0
285.0
5056200
DN200
932127
290.0
190.
87.0
210.0
695.0
343.0