不锈钢电磁阀
塑料电磁阀
铸铜电磁阀
气动驱动阀
电动驱动阀

603电动驱动球阀

三通电动球阀

6055电动驱动PVC球阀

6046电动驱动蝶阀

6056电动驱动PVC蝶阀


显示所有产品

6056电动驱动PVC蝶阀

²605电动驱动PVC阀采用进口名牌执行器,结构精巧、高性能、大力矩、带手动操作及过热保护特点
²阀体材质:标准型为PVC,可选PP、PTFE;
²适用介质:耐酸性介质及其它中性介质;
²压力范围:;0~10kg/cm²;
²密封材料:EPDM;
²安装方式:水平安装;
²阀门形式:蝶阀;
²温度范围:5ºC~50ºC;
²标准电压:标准:DC24V, AC220V。

6056电动驱动PVC蝶阀
6056电动驱动PVC蝶阀
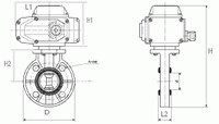
尺寸图(单位:MM)
6056电动PVC蝶阀系列参数

规格

口径

执行器型号

L1

H1

L2

H2

H2

605650

DN50

931005

158.0

103.0

43.0

103.0

369.0

105.0

605665

DN65

931005

158.0

103.0

46.0

113.0

389.0

185.0

605680

DN80

931010

207.0

129.0

46.0

115.0

425.0

201.0

6056100

DN100

931010

207.0

129.0

65.0

135.0

459.0

229.0

6056150

DN150

931020

256.0

141.0

71.0

177.0

584.0

285.0

6056200

DN200

931040

256.0

141.0

87.0

210.0

646.0

343.0