不锈钢电磁阀
塑料电磁阀
铸铜电磁阀
气动驱动阀
电动驱动阀

603电动驱动球阀

三通电动球阀

6055电动驱动PVC球阀

6046电动驱动蝶阀

6056电动驱动PVC蝶阀


显示所有产品

6046电动驱动蝶阀

²6046电动驱动蝶阀采用进口名牌执行器,结构精巧、高性能、大力矩、带手动操作及过热保护特点;
²阀体材质:标准型为铝合金阀座,尼龙涂层蝶片,EPDM衬套密封;可选不锈钢316蝶片;
²适用介质:海水、强酸、强碱、腐蚀等;
²压力范围:;0~10kg/cm²;
²密封材料:EPDM;
²安装方式:水平安装;
²阀门形式:蝶阀;
²温度范围:-20ºC~120ºC;
²标准电压:标准:DC24V, AC220V。

6046电动驱动蝶阀
6046电动驱动蝶阀
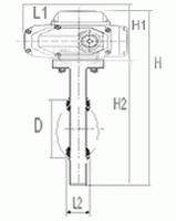
尺寸图(单位:MM)
6046电动蝶阀系列参数

规格

口径

执行器型号

L1

H1

L2

H2

H

604650

DN50

931005

158.0

103.0

42.0

130.0

343.0

95.0

604665

DN65

931005

158.0

103.0

45.0

143.0

364.0

109.0

604680

DN80

931010

207.0

129.0

45.0

155.0

415.0

124.0

6046100

DN100

931010

207.0

129.0

52.0

170.0

445.0

153.0

6046150

DN150

931020

256.0

141.0

56.0

210.0

525.0

206.0

6046200

DN200

931040

256.0

141.0

61.0

243.0

596.0

264.0

6046250

DN250

931060

380.0

170.0

66.0

282.0

710.0

316.0

6046300

DN300

931100

380.0

170.0

77.0

310.0

770.0

373.0

说明:
1.若为铸阀座,不锈钢316蝶片,EPDM衬封,订货单号尾数加T;
2. 为铝合金阀座,不锈钢316蝶片,EPDM衬套密封;订货单号尾数加S。