1)303不锈钢316电磁阀
3032先导式电磁阀
3033直动式电磁阀
2)313不锈钢304电磁阀
3132先导式电磁阀
3133直动式电磁阀
3053ABS电磁阀
3063PVC电磁阀
3043PTFE电磁阀
3044三通PTFE电磁阀
3062PP电磁阀
3023直动式电磁阀
3022先导式电磁阀
膜片材质选购指南
5035气动驱动球阀
5036气动法兰驱动球阀
5055气动驱动PVC球阀
5037气动驱动球阀
5046气动驱动蝶阀
5056气动驱动PVC蝶阀
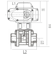
603电动驱动球阀
三通电动球阀
6055电动驱动PVC球阀
6046电动驱动蝶阀
6056电动驱动PVC蝶阀
²603电动驱动球阀采用进口名牌执行器,结构精巧、高性能、大力矩、带手动操作及过热保护特点 ²阀体材质:;迷尔型执行器配SUS304二片式球阀,三片式用SUS316不锈钢; ²适用介质:空气、水、油、天然气、弱酸碱等; ²压力范围:;0~10kg/cm²; ²密封材料:;PTFE ²安装方式:水平安装; ²阀门形式:二片式牙口,三片式牙口; ²温度范围:-20ºC~160ºC; ²标准电压:标准:DC24V, AC220V。
规格
口径
执行器型号
L1
H1
L2
H2
H
603410
DN10
931001
88
58
64
19
153
603415
DN15
88.0
58.0
66.0
22.0
157.0
603420
DN20
71.0
24.0
163.0
603525
DN25
931002
158.5
103.0
94.0
30.0
223.0
603532
DN32
931005
105.0
35.0
232.0
603540
DN40
120.0
40.0
264.0
603550
DN50
931010
207.0
129.0
136.0
47.0
305.0